Eigentumswohnung (3 bis 4 Zimmer), sonstiges Teileigentum (z.B. Keller, Hobbyraum)
Am Sportfeld 8 (vormals 12), 63579 Freigericht, Somborn
93.000 €









































Am Sportfeld 8 (vormals 12), 63579 Freigericht, Somborn
Premium-Feature
7 Tage kostenlos TestenLeichte Feuchtigkeitsschäden im Kellerbereich. Sanierungsbedarf an der Außenfassade.
Premium-Feature
7 Tage kostenlos TestenGrundschuld zugunsten der Sparkasse München. Hypothek über 150.000 €.
Premium-Feature
7 Tage kostenlos TestenPremium-Feature
7 Tage kostenlos TestenPremium-Feature
7 Tage kostenlos TestenDas Gebäude befindet sich in einem guten Zustand. Die Fassade wurde vor kurzem renoviert und zeigt keine größeren Mängel. Das Dach ist intakt und wurde 2018 erneuert.
Die Innenräume sind gepflegt und modernisiert. Böden in gutem Zustand, Elektrik entspricht aktuellen Standards. Küche und Badezimmer wurden vor 5 Jahren erneuert.
Die Innenräume sind gepflegt und modernisiert. Böden in gutem Zustand, Elektrik entspricht aktuellen Standards. Küche und Badezimmer wurden vor 5 Jahren erneuert.
Premium-Feature
7 Tage kostenlos TestenMassivbauweise aus dem Jahr 1985. Ziegeldach mit Betondachsteinen. Keller vorhanden und trocken. Fundament in gutem Zustand ohne erkennbare Setzungsrisse.
Regelmäßige Wartung und Pflege erkennbar. Heizungsanlage wurde 2020 gewartet. Fassade in gutem Zustand, letzte Renovierung 2019. Dachrinnen und Fallrohre intakt.
Energetische Sanierung 2018 durchgeführt. Neue Fenster mit Dreifachverglasung installiert. Dämmung der Außenwände nach EnEV-Standard erneuert.
Keine bekannten Baulasten eingetragen. Grundbuch zeigt keine Belastungen bezüglich Baubeschränkungen oder Durchfahrtsrechte.
Premium-Feature
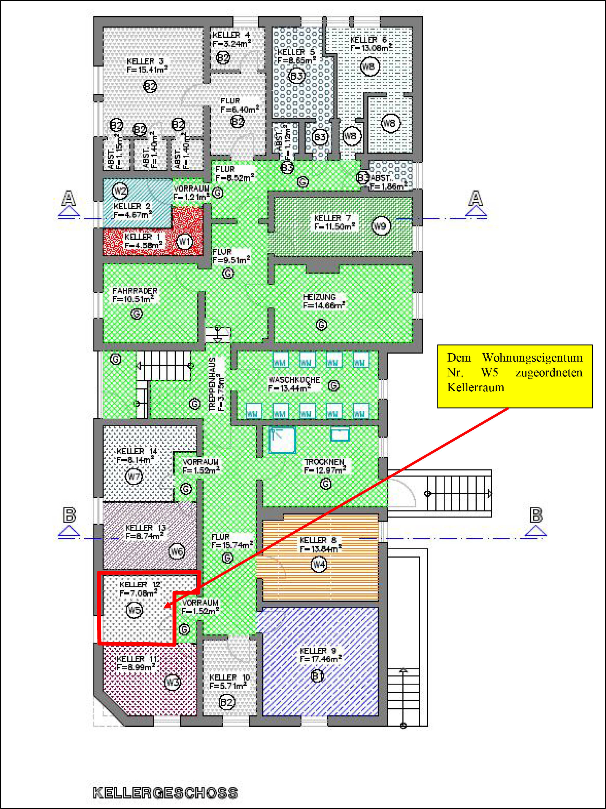
7 Tage kostenlos TestenWohnung im 2. Obergeschoss (rechts) nebst Kellerraum
Premium-Feature
7 Tage kostenlos TestenAls Eigentümer können Sie uns zusätzliche Informationen zu Ihrer Immobilie zur Verfügung stellen, die potentiellen Interessenten helfen könnten. Dies kann sich positiv auf das Versteigerungsergebnis auswirken.
Kontaktieren Sie uns per E-Mail unter info@zvgscout.com mit dem Kennzeichen: 0082K0101-2016-gelnhausen.
(Berechnet auf Basis des Verkehrswerts als Zuschlagswert)
(verzinster Betrag: 83.700 €)
Alle Angaben und Berechnungen von ZvgScout sind ohne Gewähr.
Detaillierte Kostenaufstellung & Rechner
Musterstraße 12, 12345 Musterstadt
Supermarkt
Schulweg 8, 12345 Musterstadt
Schule
Bahnhofsplatz 1, 12345 Musterstadt
ÖPNV
Alle oben gemachten Angaben ohne Gewähr. ZvgScout übernimmt keine Haftung für die Richtigkeit und Vollständigkeit der dargestellten Informationen.